ホーム / 例題集 / 磁場解析[Luvens、過渡解析] / 例題1 IPMモータの基本特性解析(入力電流指定)

IPMモータ(Interior Permanent
Magnet Motor)の基本特性解析例を示します。
ロータの内部に磁石を埋め込んだ構造をもつ、永久磁石式同期モータです。
トルク、磁束密度分布、鉄損、コギングトルク、誘起電圧、インダクタンスなどを計算します。
入力を電流値で指定した解析です。
例題7に同じ形状で、入力を電圧値で指定した事例があります。
外部回路連成解析機能を利用します。
コア部分は電磁鋼板の積層構造を模擬するため、均質化法を利用します。
表に記載されていない条件はデフォルトの条件を使用します。
本例題は計算の高速化のため、1/4周期対称モデルを採用しています。
フルモデルも用意していますので、そちらもご参照下さい。
フルモデルのプロジェクトファイルを取得(保存してから開いてください。)
項目 |
条件 |
解析空間 |
2次元 |
奥行き方向の厚み |
60[mm] |
単位 |
mm |
ソルバ |
磁場解析[Luvens] |
解析の種類 |
過渡解析 |
解析オプション |
外部回路連成をチェック 回転機をチェック
[部分モデル(対称モデル)の設定] 部分モデルをチェック 分割数:4 [外部回路入出力値換算] 換算するをチェック 直列数:4 並列数:1 結果をフルモデルに換算して出力をチェック |
回転機タブの設定を以下のように行っています。
タブ設定 |
設定項目 |
条件 |
回転機 |
回転移動 |
速度一定にチェック 回転数:1800[r/min] ロータの初期回転位置:0[deg] |
スライドメッシュの分割数 |
周方向メッシュ分割角度:1.0[deg] 1ステップ当たりの回転量:1[メッシュ] スライドメッシュ層数:3 |
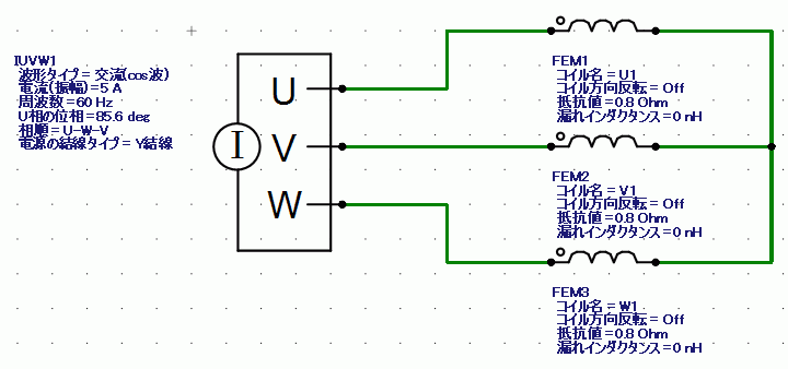
外部回路図は以下の通りです。
60[Hz]、5[A]の三相交流電流を印加しています。
U相の位相には「トルク最大となる電源位相探索」の機能を利用して算出したものを設定しています。
外部回路入出力値換算をONにしているため、FEMコイル素子の抵抗値には1/4分ではなく、フルモデル相当の相抵抗を設定しています。
換算についての詳細は「外部回路換算」および「外部回路換算の設定例」をご参照ください。

メッシュタブを以下のように設定しています。
タブ設定 |
設定項目 |
条件 |
メッシュ |
メッシュ設定 |
標準メッシュサイズを自動的に決定する:OFF 標準メッシュサイズ:1[mm] |
空気領域自動作成 |
空気領域を自動作成するにチェック 空気領域のスケール:1.2 |
過渡解析タブを以下のように設定しています。
ステップ数が180で、周方向メッシュ分割角度が1.0[deg]、1ステップ当たりの回転量が1[メッシュ]ですので、機械角で180*1.0*1=180[deg]まで回転させる解析となります。
電気角に換算すると、電気角=機械角*極対数=180*4/2=360[deg]となり、電気角1周期分の解析となります。
本モデルは電源が電流指定であるため、コイル電流は最初から定常状態となり、トルクも同様です。
鉄損を計算する場合は、定常状態後、電気角1周期分の時間ステップと、材料定数の鉄損特性定義が必要です。
タブ設定 |
設定項目 |
条件 |
|||||
過渡解析 |
時間ステップ |
自動 |
|||||
表 |
|
中央にロータであるロータコアと磁石があり、周囲にステータコアとコイルを配置した構成となっています。
4極24スロットのモータです。
2次元モデルでの解析です。
対称性を利用し、1/4の周期対称モデルとしています。
回転周期境界(Symmetric)を設定しています。

半周期(1周期毎に磁場反転)の周期対称モデルですので、フルモデルで示すと下図になります。

ボディ No./ボディタイプ |
ボディ属性名 |
材料名 |
12/Sheet |
Mag |
NMX-S43SH_日立金属※ |
11/Sheet |
Rotor |
35JN270_JFEスチール※ |
28/Sheet |
Stator |
35JN270_JFEスチール※ |
30/Sheet |
U1+ |
008_銅(Cu)※ |
31/Sheet |
U1+ |
008_銅(Cu)※ |
32/Sheet |
W1- |
008_銅(Cu)※ |
33/Sheet |
W1- |
008_銅(Cu)※ |
34/Sheet |
V1+ |
008_銅(Cu)※ |
35/Sheet |
V1+ |
008_銅(Cu)※ |
※材料データベースを利用
ボディ属性は以下のように設定しています。
コア部分は積層鋼板を模擬するため、均質化法を利用する設定(積層タブ)としています。
ボディ属性名 |
タブ |
設定 |
Mag |
方向 |
ベクトル:X=1, Y=0, Z=1 |
電流 |
誘導電流ありにチェック |
|
ステータ/ロータ/空気 |
ロータ |
|
Rotor |
積層 |
積層を考慮するにチェック 占積率:97[%] 積層方向ベクトル:X=0, Y=1, Z=0 |
ステータ/ロータ/空気 |
ロータ |
|
Stator |
積層 |
積層を考慮するにチェック 占積率:97[%] 積層方向ベクトル:X=0, Y=1, Z=0 |
ステータ/ロータ/空気 |
ステータ |
|
U1+ |
電流 |
波形:外部回路連成 回路上のコイル名:U1 巻数:35[Turn] 方向:奥向き |
ステータ/ロータ/空気 |
ステータ |
|
V1+ |
電流 |
波形:外部回路連成 回路上のコイル名:V1 巻数:35[Turn] 方向:奥向き |
ステータ/ロータ/空気 |
ステータ |
|
W1- |
電流 |
波形:外部回路連成 回路上のコイル名:W1 巻数:35[Turn] 方向:手前向き |
ステータ/ロータ/空気 |
ステータ |
半周期の周期対称境界を設定しています。
境界条件名/トポロジ |
タブ |
境界条件の種類 |
条件 |
Symmetric |
対称/不連続 |
周期的 |
回転周期(半周期) |
添付プロジェクトの解析モデル「電流印加」の結果です。
回転角度が0[deg]の時の磁束密度分布と磁束線を示します。

トルク波形を示します。結果テーブルの「トルク[N・m]」に出力されます。
電流源を使用していますので、0[deg]から定常状態になっています。

各種損失は結果テーブルの「損失[W](最終1周期参照値)」に出力されます。

同モデルで外部回路の電源素子の電流値を0に変更して解析することで、コギングトルクと無負荷時の誘起電圧を計算できます。
(添付プロジェクトの解析モデル「無負荷」)
コギングトルク波形を示します。

誘起電圧波形を示します。

次に、N-T特性、I-T特性を示します。
これらは、「モータ特性図解析」の機能を利用して算出することができます。
(添付プロジェクトの解析モデル「NT_IT」)
N-T特性、I-T特性は外部回路の電源が電流源でも電圧源でも同じ演算が行われます。

入力条件

次に、インダクタンス(Ld,Lq)を示します。
これらは、「モータLdLq計算」タブの機能を利用して算出することができます。
(添付プロジェクトの解析モデル「LdLq」)

入力条件
