ホーム / 例題集 / 連成解析 / 磁場応力解析[Gauss,Luvens/Galileo] / 例題2 IPMモータの振動解析
例題2 IPMモータの振動解析

本例題について
-
IPMモータの電磁力によるステータの振動解析例を示します。
-
変位、応力、トルク、磁束密度分布、鉄損などを計算します。
-
外部回路連成解析機能を利用します。
-
コア部分は電磁鋼板の積層構造を模擬するため、均質化法を利用します。
-
表に記載されていない条件はデフォルトの条件を使用します。
-
プロジェクトファイルを取得(右クリックし、名前を付けてリンク先を保存してください。)
-
Femtetのバージョンや環境により結果が多少ことなります。
解析条件
|
項目 |
条件 |
|
解析空間 |
2次元 |
|
奥行き方向の厚み |
60[mm] |
|
単位 |
mm |
|
磁場解析[Luvens] |
|
|
解析の種類 |
|
|
解析オプション |
外部回路連成をチェック 回転機をチェック
平面ひずみをチェック [磁場過渡解析結果の電磁力参照タイプ] 各ステップの値をチェック |
回転機タブの設定を以下のように行っています。
|
タブ設定 |
設定項目 |
条件 |
|
回転機 |
回転移動 |
速度一定にチェック 回転数:1800[r/min] ロータの初期回転位置:0[deg] |
|
スライドメッシュの分割数 |
周方向メッシュ分割角度:1.0[deg] 1ステップ当たりの回転量:1[メッシュ] スライドメッシュ層数:3 |
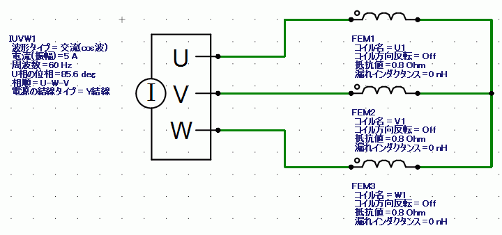
外部回路図は以下の通りです。
60[Hz]、5[A]の三相交流電流を印加しています。
U相の位相には「トルク最大となる電源位相探索」の機能を利用して算出したものを設定しています。
外部回路入出力値換算をONにしているため、FEMコイル素子の抵抗値には1/4分ではなく、フルモデル相当の相抵抗を設定しています。
換算についての詳細は「外部回路換算」および「外部回路換算の設定例」をご参照ください。

メッシュタブを以下のように設定しています。
|
タブ設定 |
設定項目 |
条件 |
|
メッシュ |
メッシュ設定 |
標準メッシュサイズを自動的に決定する:OFF 標準メッシュサイズ:1[mm] |
|
空気領域自動作成 |
空気領域を自動作成するにチェック 空気領域のスケール:1.2 |
過渡解析タブを以下のように設定しています。
ステップ数が90で、周方向メッシュ分割角度が1.0[deg]、1ステップ当たりの回転量が1[メッシュ]ですので、機械角で90*1.0*1=90[deg]まで回転させる解析となります。
電気角に換算すると、電気角=機械角*極対数=90*4/2=180[deg]となり、電気角半周期分の解析となります。
-
本モデルは電源が電流指定であるため、コイル電流は最初から定常状態となり、トルクも同様です。
-
鉄損を計算する場合は、定常状態後、電気角1周期分の時間ステップと、材料定数の鉄損特性定義が必要です。
|
タブ設定 |
設定項目 |
条件 |
|||||
|
過渡解析 |
時間ステップ |
自動 |
|||||
|
表 |
|
モデル図
中央にロータであるロータコアと磁石があり、周囲にステータコアとコイルを配置した構成となっています。
4極24スロットのモータです。
2次元モデルでの解析です。
応力解析はステータ領域のみ解析する設定としており、その周囲の回転変位を固定する境界条件[Fix]を設定しています。

ボディ属性および材料の設定
|
ボディ No./ボディタイプ |
ボディ属性名 |
材料名 |
|
14/Sheet |
Mag1 |
NMX-S43SH_日立金属※ |
|
15/Sheet |
Mag2 |
NMX-S43SH_日立金属※ |
|
63/Sheet |
Mag3 |
NMX-S43SH_日立金属※ |
|
62/Sheet |
Mag4 |
NMX-S43SH_日立金属※ |
|
66/Sheet |
Rotor |
35JN270_JFEスチール※ |
|
65/Sheet |
Stator |
35JN270_JFEスチール※ |
|
37/Sheet |
U1+ |
008_銅(Cu)※ |
|
38/Sheet |
U1+ |
008_銅(Cu)※ |
|
39/Sheet |
W1- |
008_銅(Cu)※ |
|
40/Sheet |
W1- |
008_銅(Cu)※ |
|
41/Sheet |
V1+ |
008_銅(Cu)※ |
|
42/Sheet |
V1+ |
008_銅(Cu)※ |
|
43/Sheet |
U1- |
008_銅(Cu)※ |
|
44/Sheet |
U1- |
008_銅(Cu)※ |
|
45/Sheet |
W1+ |
008_銅(Cu)※ |
|
46/Sheet |
W1+ |
008_銅(Cu)※ |
|
47/Sheet |
V1- |
008_銅(Cu)※ |
|
48/Sheet |
V1- |
008_銅(Cu)※ |
※材料データベースを利用
ボディ属性は以下のように設定しています。
コア部分は積層鋼板を模擬するため、均質化法を利用する設定(積層タブ)としています。
|
ボディ属性名 |
タブ |
設定 |
|
Mag1 |
方向 |
ベクトル:X=1, Y=0, Z=1 |
|
電流 |
誘導電流ありにチェック |
|
|
ステータ/ロータ/空気 |
ロータ |
|
|
解析領域 |
応力解析のチェックを外す |
|
|
Mag2 |
方向 |
ベクトル:X=1, Y=0, Z=-1 |
|
電流 |
誘導電流ありにチェック |
|
|
ステータ/ロータ/空気 |
ロータ |
|
|
解析領域 |
応力解析のチェックを外す |
|
|
Mag3 |
方向 |
ベクトル:X=-1, Y=0, Z=-1 |
|
電流 |
誘導電流ありにチェック |
|
|
ステータ/ロータ/空気 |
ロータ |
|
|
解析領域 |
応力解析のチェックを外す |
|
|
Mag4 |
方向 |
ベクトル:X=-1, Y=0, Z=1 |
|
電流 |
誘導電流ありにチェック |
|
|
ステータ/ロータ/空気 |
ロータ |
|
|
解析領域 |
応力解析のチェックを外す |
|
|
Rotor |
積層 |
積層を考慮するにチェック 占積率:97[%] 積層方向ベクトル:X=0, Y=1, Z=0 |
|
ステータ/ロータ/空気 |
ロータ |
|
|
解析領域 |
応力解析のチェックを外す |
|
|
Stator |
積層 |
積層を考慮するにチェック 占積率:97[%] 積層方向ベクトル:X=0, Y=1, Z=0 |
|
ステータ/ロータ/空気 |
ステータ |
|
|
U1+ |
電流 |
波形:外部回路連成 回路上のコイル名:U1 巻数:35[Turn] 方向:奥向き |
|
ステータ/ロータ/空気 |
ステータ |
|
|
V1+ |
電流 |
波形:外部回路連成 回路上のコイル名:V1 巻数:35[Turn] 方向:奥向き |
|
ステータ/ロータ/空気 |
ステータ |
|
|
W1- |
電流 |
波形:外部回路連成 回路上のコイル名:W1 巻数:35[Turn] 方向:手前向き |
|
ステータ/ロータ/空気 |
ステータ |
|
|
U1- |
電流 |
波形:外部回路連成 回路上のコイル名:U1 巻数:35[Turn] 方向:手前向き |
|
ステータ/ロータ/空気 |
ステータ |
|
|
V1- |
電流 |
波形:外部回路連成 回路上のコイル名:V1 巻数:35[Turn] 方向:手前向き |
|
ステータ/ロータ/空気 |
ステータ |
|
|
W1+ |
電流 |
波形:外部回路連成 回路上のコイル名:W1 巻数:35[Turn] 方向:奥向き |
|
ステータ/ロータ/空気 |
ステータ |
境界条件
ステータ外周の回転変位を固定する境界条件を設定します。
|
境界条件名/トポロジ |
タブ |
境界条件の種類 |
条件 |
|
Fix |
機械 |
回転変位 |
軸上の座標:0.0,0.0,0.0 回転角度:0[deg] |
解析結果
まずは磁場解析の結果です。
回転角度が0[deg]の時の磁束密度分布と磁束線を示します。

トルク波形を示します。結果テーブルの「トルク[N・m]」に出力されます。
電流源を使用していますので、0[deg]から定常状態になっています。

次に応力解析の結果です。
回転角度が10[deg]の時の応力解析結果の加速度を示します。
ステータの振動の様子が分かります。



