Home / Examples / Magnetic Analysis (Luvens, Transient Analysis) / Example 7: IMP Motor Analysis (Voltage-Specified Input)
Example 7: IMP Motor Analysis (Voltage-Specified Input)

General
-
Torque characteristics of IPM motor (Interior Permanent Magnet Motor) is analyzed when the electricity is applied.
The model is a permanent magnet synchronous motor with magnets built in a rotor. -
Input is specified by voltage.
The same model is analyzed in Example 1 with input specified by current. -
The analysis is coupled with the external circuit.
-
The homogenizing method is applied to simulate the layer structure of the electromagnetic plates of steel for the core.
-
The torque and the magnetic flux density are solved.
-
Unless specified in the list below, the default conditions will be applied.
-
Obtain this session's project file. (Right-click and choose 'Save link as')
-
Results will vary depending on Femtet version and the PC environment.
-
In this example, a quarter period symmetric model is used for faster calculation.
A project of the full model is available as well.
Obtain a full model’s project file. (Right-click and choose 'Save link as') -
Results will vary depending on Femtet version and the PC environment.
Analysis Conditions
|
Item |
Settings |
|
Analysis Space |
2D |
|
Thickness in Depth Direction |
60 [mm] |
|
Unit |
mm |
|
Solver |
Magnetic Analysis [Luvens] |
|
Analysis Type |
Transient Analysis |
|
Options |
Select External Circuit Coupling. Select Rotating Machinery.
[Partial Model (Symmetric Model) Setting] Select Partial Model. Division Number: 4 [Conversion of External Circuit I/O Values] Select Convert Number of Series: 4 Number of Parallels: 1 Select Convert the result to the full model for output |
The Rotating Machinery tab is set as follows.
|
Tab |
Setting Item |
Settings |
|
Rotating Machinery |
Rotational Movement |
Select Constant Velocity Number of Rotations: 1800 [r/min] Rotor’s Initial Rotation Position: 0 [deg] |
|
Number of Sliding Mesh Divisions |
Circumferential Division Angle: 1.0 [deg] Rotational Quantity per Step: 1 [mesh] Number of Sliding Mesh Layers: 3 |
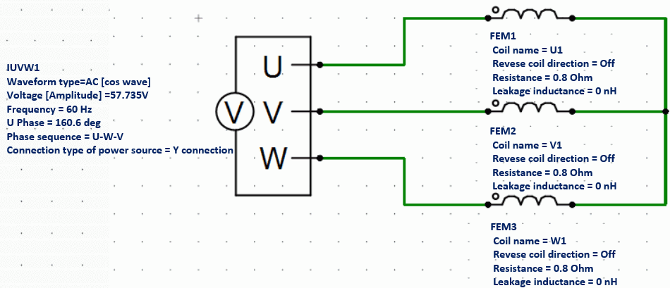
External circuit is as follows.
3-phase AC voltage of 60 [Hz] and 100/√3 [V] is applied. (The phase voltage, 100/√3, in a Y connection is an inter-line voltage of 100 V)
The U phase is calculated with a function to [search for power phase at the maximum torque].
As [Conversion of external circuit I/O values] is ON, the resistance value of the FEM coil is set to the phase resistance which is equivalent to a full model instead of a quarter model.
See [External Circuit Conversion] and [Example of External Circuit Conversion Setup] for the details of conversion.
Set the Mesh Tab as follows.
|
Tab |
Setting Item |
Settings |
|
Mesh |
Meshing Setup |
Automatically set the general mesh size: Deselect General Mesh Size: 1 [mm] |
|
Air Domain Creation |
Select Create air domain automatically Air Domain Scale: 1.2 |
The Transient Analysis tab is set up as follows.
The number of calculation steps is 360, circumferential division angle is 1.0 [deg], and rotational quantity per step is 1 [mesh]. The rotation up to 360 degrees (=360*1.0*1) of mechanical angle is analyzed.
It can be converted to the electric angle of 720 [deg] (=360*4/2) (mechanical angle x number of poles). Two periods of electric angle are analyzed.
-
As the input is by voltage for this model, the coil current is in the transient state in the initial stages. It will be some time before it reaches the steady state.
Enough timesteps are secured in the steady state in this analysis condition.
-
To calculate the iron loss, it is necessary to set the timesteps for one period of electric angle in the steady state, and to define the iron loss characteristic for the material property.
|
Tab |
Setting Item |
Settings |
|||||
|
Transient Analysis |
Timestep |
Automatic |
|||||
|
Table |
|
Fast stabilizer is set up as follows to make the magnetic field reach the steady state in short calculation time.
|
Tab |
Setting Item |
Settings |
|
Fast Stabilizer |
Correction Method |
Simplified 3-Phase AC TP-EEC Method |
|
Coil Name on the External Circuit |
U Coil: U1 V Coil: V1 W Coil: W1 |
Graphical Objects
A rotor core and magnet are placed in the center. A stator and coils are placed around them.
The motor has 4 poles and 24 slots.
This is a 2D model analysis.
By utilizing the symmetry of the analysis model, it is made to be a quarter model.
Rotation period boundary (symmetric) is set.

When antiperiodic, the magnetic field is reversed every period. The full model is shown as follows.

Body Attributes and Materials
|
Body Number/Type |
Body Attribute Name |
Material Name |
|
12/Sheet |
Mag |
NMX-S43SH_Proterial * |
|
11/Sheet |
Rotor |
35JN270_JFE Steel* |
|
28/Sheet |
Stator |
35JN270_JFE Steel* |
|
30/Sheet |
U1+ |
008_Cu * |
|
31/Sheet |
U1+ |
008_Cu * |
|
32/Sheet |
W1- |
008_Cu * |
|
33/Sheet |
W1- |
008_Cu * |
|
34/Sheet |
V1+ |
008_Cu * |
|
35/Sheet |
V1+ |
008_Cu * |
* Available from the material DB
The body attribute is set up as follows.
For the core, the homogenizing method is selected to simulate the layered steel plates.
|
Body Attribute Name |
Tab |
Settings |
|
Mag |
Direction |
Vector: X=1, Y=0, Z=1 |
|
Current |
Click Yes for induced current setting. |
|
|
Stator/Rotor/Air |
Rotor |
|
|
Rotor |
Layer |
Select Take into account layer Space Factor: 97 [%] Layer Vector: X=0, Y=1, Z=0 |
|
Stator/Rotor/Air |
Rotor |
|
|
Stator |
Layer |
Select Take into account layer Space Factor: 97 [%] Layer Vector: X=0, Y=1, Z=0 |
|
Stator/Rotor/Air |
Stator |
|
|
U1+ |
Current |
Waveform: External Circuit Coupling Coil Name on the Circuit: U1 Turns: 35 [Turns] Direction: +Y Direction |
|
Stator/Rotor/Air |
Stator |
|
|
V1+ |
Current |
Waveform: External Circuit Coupling Coil Name on the Circuit: V1 Turns: 35 [Turns] Direction: +Y Direction |
|
Stator/Rotor/Air |
Stator |
|
|
W1- |
Current |
Waveform: External Circuit Coupling Coil Name on the Circuit: W1 Turns: 35 [Turns] Direction: - Y Direction |
|
Stator/Rotor/Air |
Stator |
Boundary Condition
Antiperiodic symmetric boundary (Symmetric) is set.
|
Boundary Condition Name/Topology |
Tab |
Boundary Condition Type |
Settings |
|
Symmetric |
Symmetry/Continuity |
Periodic |
Rotation (Antiperiodic) |
Results
The distribution of the magnetic flux density and magnetic flux lines at the rotation angle of 0 [deg] are shown below.

The torque waveform is shown as below. It is output to [Torque [N*m]] of the result table.
The torque reaches the steady state at about 150 [deg].

The losses are listed in the table of [Loss [W] (referring to value over 1 period from the final step)].

By setting the voltage to 0 for the power of the external circuit, and deselecting the fast stabilizer, the cogging torque and the induced voltage with no load can be calculated.
(Refer to the analysis model "No Load")
The waveform of cogging torque is shown as follows.

The induced voltage waveforms are as follows.

Shown below are the N-T characteristics and I-T characteristics.
They are calculated by a function of [motor characteristics analysis].
(Refer to the analysis model "NT_IT".)
-
N-T characteristics and I-T characteristics perform the same operations with either current source or voltage source on the external circuit.

Input Conditions



