ホーム / チュートリアル / 応力解析(Galileo) / 00.応力解析(Galileo)チュートリアル概要
00.応力解析(Galileo)チュートリアル概要
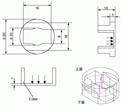
このチュートリアルでは、圧力容器のケースをモデルにした応力解析を行います。
底面を固定したケースに対し、その内側から100Paの圧力をかけた場合にケースにかかる応力や変形の様子を解析します。
解析空間
解析条件
|
|
||||||||||
モデル形状
|
条件
|
||||||||||
計算結果図
表面の中心部分がもっとも変位量が高い値を示していることから、 |
コンター値の高い表面の中心部分が大きく変形していることがわかります。 |
戻る 次へ
応力解析の流れと操作内容
|
タイトル |
|
00.応力解析(Galileo)チュートリアル概要 |
|
01.新規プロジェクト作成 |
|
02.Case外枠(円柱)を作図する |
|
03.Case外枠(直方体)を作図する |
|
04.Case外枠を加工する |
|
05.Case内枠を作図する |
|
06.Caseを完成させる |
|
07.解析条件を設定する |
|
08.ボディ属性と材料定数を設定する |
|
09.境界条件をつける |
|
10.解析を実行する |
|
11.計算結果の表示・確認 |
|
12.プロジェクトを保存する |







